Како опремата за цијанидирање го подобрува обновувањето на златото и безбедноста на локацијата?

2026-01-08 - Остави ми порака

Ако некогаш сте почувствувале дека цијанидирањето е „ефективно, но стресно“, не го замислувате. Хемијата работи - сепак, секојдневната реалност може да биде неуредна: променлива руда, прекумерно трошење на реагенси, загуби на јаглерод, неочекувани прекини и постојан притисок за безбедно и доследно работење. Оваа статија разложува штоОпрема за цијанизирањевсушност треба да направи за вас, што да прашате пред да купите и како да ги избегнете најскапите грешки.


Апстракт

МодеренОпрема за цијанизирањене е само збир на резервоари - тоа е поврзан систем дизајниран да ги контролира условите на истекување, да го стабилизира обновувањето, да го намали отпадот од реагенсот и да го одржува предвидливо ракувањето со цијанидот. Купувачите обично се борат со четири точки на болка: неконзистентно закрепнување, високи оперативни трошоци, слаби безбедносни контроли и главоболки за одржување. Подолу, ќе добиете практичен приказ на цијанизните модули на подот на растенијата (лужење, адсорпција, десорпција/електро-влакнување, детоксикација и инструментација), матрица за избор, совети за пуштање во работа и дел ЧПП што можете да го користите за време на разговорите со добавувачите.


Содржина


Преглед на прв поглед

  • Преведете го „Ми треба цијанидација“ во целосен опсег на опрема што може да се контролира.
  • Идентификувајте кој модул ги предизвикува вашите загуби (обновување, реагенс, јаглерод или прекин).
  • Користете едноставна матрица за да ги споредите решенијата за вашиот тип на руда и ограничувања.
  • Одете на состаноците со добавувачи со список за проверка што брзо ги открива слабите дизајни.

Поени за болка од вистинскиот купувач

Кога луѓето купуваат заОпрема за цијанизирање, тие често велат „Ми треба повисоко закрепнување“. Она што тие обично го мислат е: „Ми треба обновување кое останува високо дури и кога рудата се менува, операторите ротираат и локацијата е оддалечена“. Еве ги точките на болка кои се појавуваат повторно и повторно:

  • Нишалки за закрепнувањепредизвикани од варијабилност на рудата, проблеми со мелење, ограничувања на кислород или лоша pH контрола.
  • Лазење на цената на реагенсотод предозирање со цијанид или вар „само за да бидеме безбедни“.
  • Проблеми со јаглеродоткако што се фаулирање, губење на атриција или слаба кинетика на адсорпција.
  • Застојод дефекти на пумпата/вентилот, абење на абразивна кашеста маса или тешко пристапни распореди.
  • Безбедносен стресоколу складирање на цијанид, дозирање и подготвеност за одговор при итни случаи.

Добриот дизајн на опремата не ја отстранува целата сложеност, но треба да ги отстрани претпоставките.


Што вклучува „опремата за цијанидирање“.

Cyaniding Equipment

Во најмала рака,Опрема за цијанизирањетреба да се сфати како систем кој ги поддржува овие функции:

  • Исцедување: обезбеди време, мешање и контрола на хемијата за растворање.
  • Заробување злато: адсорпција на активен јаглен (CIP/CIL) или патишта на врнежи.
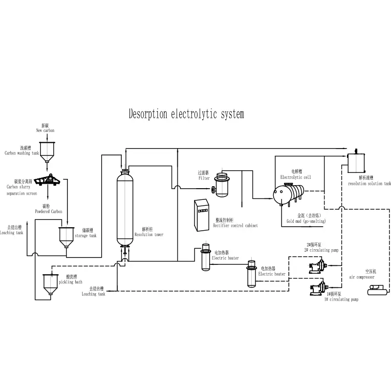
  • Обновување на златото: десорпција и електродобивање (или алтернативни кола за обновување).
  • Детоксикација и ракување со јаловина: намалување на преостанатиот цијанид на прифатливи нивоа.
  • Инструментација и контрола: измерете и стабилизирајте ја pH вредноста, растворениот кислород, протокот и дозирањето.

Ако добавувачот зборува само за „тенкови“, турнете ги да го дефинираат целиот проток и контролните точки. Цијанидацијата простува во лабораториски услови; не простува во хаотични теренски услови.


Јасна мапа на процеси од Руда до Доре

Иако секое растение се разликува, повеќето правци на цијанидација следат препознатлив 'рбет. Користете ја оваа карта за да проверите дали предложениот пакет е комплетен:

Фаза Што мора да се постигне Типичен „скриен“ ризик
Предтретман (по потреба) Направете го златото достапно и спречете го скокот на потрошувачката на цијанид Игнорирање на ограбување на прег, високи бакарни или реактивни сулфиди
Исцедување Стабилно мешање, контролирана pH вредност и доволно кислород Мртви зони, слаб трансфер на кислород, непредвидлива pH вредност од слабиот вар систем
Адсорпција (CIL/CIP) Снимајте растворено злато ефикасно Погрешна големина/метод на пренос на јаглерод; загуби на јаглерод
Елуција / Десорпција Сигурно отстранете го златото од јаглеродот Неконзистентното загревање/проток доведува до ниска ефикасност на соголување
Електро-добивање / топење Закрепнете и произведете доре Премали ќелии, лошо управување со електролити, проблеми со ракување со тињата
Детоксикација Намалете го преостанатиот цијанид пред испуштање/јаловина Дизајнот не одговара на променливоста на пропусната моќ или хемијата на јаловина

Клучни модули и што да се провери

1) Тенковите за истекување и агитација

  • Дали дизајнот на мешање е погоден за вашата густина и абразивност на кашеста маса?
  • Дали системот може да одржува стабилна pH вредност под варијабилноста на рудата?
  • Дали додавањето кислород е практично на вашата локација (и дали се зема предвид трансферот на кислород во дизајнот)?
  • Дали распоредот дозволува лесна проверка на работните кола, облогите и лежиштата?

2) Адсорпција и трансфер на јаглерод

  • Дали меѓустепените екрани се доволно цврсти за да спречат пренесување на јаглерод?
  • Дали преносот на јаглерод е дизајниран да го намали кршењето и загубата?
  • Дали дизајнот е пријателски настроен кон чистење и контрола на залихите на јаглерод?

3) Десорпција и електродобивање

  • Дали колото за елуирање одговара на вашите очекувања за оптоварување на јаглерод?
  • Дали контролите за греење и проток се стабилни (не „зависни од операторот“)?
  • Дали е планирано, а не импровизирано ракување со тињата?

4) Дозирање и мерење на цијанид

  • Дали дозирањето е автоматизирано со заклучување или чисто рачно?
  • Кој е планот за калибрација и одржување на сензорот во реално рударско опкружување?
  • Дали точките за земање примероци се безбедни и добро позиционирани или се размислува за подоцна?

5) Детоксикација

  • Дали дизајнот на детоксикација се заснова на вашите цели за испуштање и хемијата на јаловината?
  • Дали може да се справи со краткорочните скокови без присилно исклучување?

Практичен совет:Предлогот што изгледа поевтино на хартија често ги турка трошоците во работењето - дополнителен цијанид, дополнителна вар, дополнителна работна сила за одржување и повеќе „херојско“ однесување на операторот. Сметката пристигнува подоцна.


Основи на големината и спецификацијата

Не треба да сте металург за да поставувате прашања за големината што го штитат вашиот буџет. ЗаОпрема за цијанизирање, логиката за димензионирање на јадрото се врти околу пропусната моќ, времето на престој и преносот на масата. Пред да прифатите каков било конечен дизајн, проверете дали овие влезови се експлицитно наведени:

  • Пропусната моќ на дизајнот(просек и врв, плус очекуваната сезонска варијабилност).
  • Целна големина на мелењеи што ќе се случи ако мелницата погрубо одлета.
  • Време на престој на Личи дали се заснова на тестови или претпоставки.
  • план за pH и алкалност(вклучувајќи подготовка на вар и стабилност на дозирање).
  • Стратегија за кислород(воздух, кислород или ниеден) и очекуваното влијание врз кинетиката.
  • Инвентар на јаглерод(колку јаглерод, каде седи и како се следи).

Ако добавувачот не може да ги објасни овие на едноставен јазик, третирајте го како сигнал за ризик - не како техничко прашање.


Безбедност и контрола на цијанид што всушност одржува

Безбедноста не е постер на ѕидот. Со цијанидација, тој е вграден во физичкиот дизајн и рутинската контрола. СиленОпрема за цијанизирањепакетите обично вклучуваат:

  • Содржано складирање и преноссо јасни патеки за излевање и логика на оградување.
  • Испреплетено дозирањетака што цијанидот не може да се додаде кога клучните услови не се исполнети.
  • Јасен дизајн на земање примероцишто го намалува ризикот од изложеност при рутински проверки.
  • Подготвеност за итни случаикако дел од поставената оперативна процедура, а не дополнителен документ.

Од перспектива на купувачот, вашата работа е едноставна: принудете го предлогот да покаже точно како луѓето комуницираат со системот. Каде стојат? Што допираат? Како ја изолираат опремата? Како реагираат на дефект на заптивката на пумпата во 2 часот по полноќ?


Од каде навистина доаѓаат оперативните трошоци

Ако вашата цена по унца се движи нагоре, тоа обично не е драматичен неуспех - тоа се мали протекувања во системот што се соединуваат. Во цијанидацијата, најчестите двигатели на трошоците се:

  • Потрошувачка на цијанидпоттикнати од реактивни минерали, навики за предозирање или лоши контролни јамки.
  • Потрошувачка на варкога pH контролата е нестабилна или хемијата на кашеста маса не е добро разбрана.
  • Губење на јаглеродпреку трошење, проблеми со екранот или лош дизајн на пренос.
  • Моќ и одржувањеод прекумерно мешање, недоволно дизајнирани делови за абење и распореди кои тешко се сервисираат.
Симптом Веројатна основна причина Карактеристика на опрема што помага
Закрепнувањето паѓа кога се менува рудата pH/DO нестабилност; лошо мешање; недоволно време за престој Цврсто мешање, подобра контролна инструментација, флексибилен капацитет на резервоарот
Потрошувачката на цијанид постојано расте Предозирање; минерали со висока потрошувачка на цијанид; лошо мерење Контролирано дозирање, сигурни точки за земање примероци, попаметни преклопувања
Инвентарот на јаглерод „мистериозно“ се намалува неуспеси на екранот; преносни загуби; трошење Издржливи меѓустепени екрани, нежен дизајн на пренос, јаглеродно сметководство
Чести исклучувања Абење делови, запечатување на пумпата, проблеми со пристапот Материјали отпорни на абење, пристап за одржување, стандардизирани резервни делови

Дизајн за доверливост и одржување

Cyaniding Equipment

Колото за цијанидација може да изгледа „целосно“ и сепак да биде несигурно ако одржувањето не е дизајнирано внатре. Прашајте како пристапува добавувачот:

  • Избор на материјализа зони со абразивна кашеста маса и зони со контакт со цијанид.
  • Пристапна екрани, работни кола, облоги, пумпи и инструменти.
  • Стратегија за резервни деловишто се совпаѓа со реалноста на вашата страница (време на довод, логистика, порибување).
  • Стандардизацијада се намали бројот на уникатни предмети за носење.

Во далечинските операции, „лесно за одржување“ може да вреди повеќе од „малку поефикасно на хартија“.


Прашања од добавувачот што треба да ги поставите

Користете ја оваа листа за проверка на состаноците. Дизајниран е брзо да наиде на слаби предлози - без да го претвори разговорот во дебата.

  • Кои ризици од руда се претпоставуваат, а кои се активно проектирани?
  • Кои се дизајнерските влезови за времето на престој, опсегот на pH и стратегијата за кислород?
  • Како се контролира дозирањето на цијанид и што се случува при откажување на сензорот?
  • Како се спречува и мери загубата на јаглерод во рутински операции?
  • Кој е планот за пристап за одржување за екрани, агитатори и пумпи?
  • Кои се препорачаните проверки на операторот по смена и како тие се безбедни?
  • Која поддршка за пуштање во работа е вклучена и каква обука на оператор е обезбедена?

Ако ги оценувате продавачите, може да помогне да разговарате со производител кој може да обезбеди целосен пакет за цијанидација и да ги поддржи деталите за интеграција. На пример, Qingdao EPIC Mining Machinery Co., Ltd.обезбедува решенија за опрема за обработка на рударството каде што пакетите за цијанидација се сметаат како системи - лужење, адсорпција, обновување и контрола - наместо како исклучен сет на резервоари.


Најчесто поставувани прашања

Што ја прави цијанидната опрема „модерна“ наместо основна?

Модерните дизајни се фокусираат на контролирање и повторливост: стабилно дозирање, сигурно мерење, побезбедно земање примероци, робусна заштита од абење и распоред што ја намалува импровизацијата на операторот. Целта е доследно обновување со помалку отпад од реагенси и помалку исклучувања.

Дали цијанидната опрема може економично да се справи со рудата со низок степен?

Може, но само кога колото е дизајнирано околу вашиот профил на кинетика и потрошувачка. Операциите со низок степен имаат тенденција да бидат чувствителни на прекумерно трошење на реагенсот и време на застој, така што контролните системи, дизајнот на абење и управувањето со јаглерод стануваат особено важни.

Како да знам дали ми треба CIP или CIL?

Изборот обично зависи од кинетиката на истекувањето и од тоа колку брзо раствореното злато треба да се зароби. Ако златото брзо се раствора и сакате веднаш да го фатите, CIL може да биде привлечен. Ако лужењето има корист од одвојувањето пред адсорпцијата, CIP може подобро да се вклопи. Металуршките тестови и практичните ограничувања на локацијата треба да ја водат одлуката.

Зошто потрошувачката на цијанид понекогаш нагло се зголемува?

Вообичаени причини вклучуваат промени на минералите во рудата, слаба контрола на pH вредноста, неочекувано ограничување на кислородот или контаминација во процесната вода. Добриот контролен план плус сигурни точки за земање примероци го олеснуваат дијагностицирањето и брзото корегирање на овие шила.

Што треба да дадам приоритет ако мојата страница е оддалечена и има краток персонал?

Дајте приоритет на одржувањето и автоматизацијата што го намалува рачното ракување: издржливи екрани, распоред на достапна опрема, стандардизирани резервни делови, испреплетено дозирање и јасни работни рутини кои не се потпираат на „еден експертски оператор“.


Заокружување

КупувањеОпрема за цијанизирањее во крајна линија за намалување на неизвесноста. Хемијата може да се докаже, но вашата профитабилност зависи од доследна контрола, практично одржување и безбедност што функционира на реални смени со вистински луѓе. Ако планирате нова фабрика или надградувате постоечко коло, доведете ги на маса реалноста на вашата руда, целите на пропусната моќ и ограничувањата на локацијата - и инсистирајте на предлог што ја третира цијанидацијата како целосен, контролиран систем.

Подготвени сте да го претворите вашиот план за цијанидација во сигурна, исплатлива операција?Споделете го вашиот тип руда, целниот капацитет и условите на локацијата иконтактирајте со насда разговарате за практична конфигурација на опрема која одговара на вашата фабрика и на вашите оператори.

Испрати барање

X
Ние користиме колачиња за да ви понудиме подобро искуство во прелистувањето, да го анализираме сообраќајот на страницата и да ја персонализираме содржината. Со користење на оваа страница, вие се согласувате со нашата употреба на колачиња. Политика за приватност