English
Español
Português
русский
Français
日本語
Deutsch
tiếng Việt
Italiano
Nederlands
ภาษาไทย
Polski
한국어
Svenska
magyar
Malay
বাংলা ভাষার
Dansk
Suomi
हिन्दी
Pilipino
Türkçe
Gaeilge
العربية
Indonesia
Norsk
تمل
český
ελληνικά
український
Javanese
فارسی
தமிழ்
తెలుగు
नेपाली
Burmese
български
ລາວ
Latine
Қазақша
Euskal
Azərbaycan
Slovenský jazyk
Македонски
Lietuvos
Eesti Keel
Română
Slovenski
मराठी
Srpski језик Спиралниот класификатор е незаменлив дел од опремата што широко се користи во рударството, металургијата, хемиската и преработувачката индустрија на минерали. Тој игра клучна улога во класификацијата, одвојувањето и одводнувањето на фините материјали врз основа на големината на честичките и специфич......
Прочитај повеќеМашината за перење песок е критично парче опрема што широко се користи во рударството, каменоломот и градежната индустрија. Помага да се отстранат нечистотиите како што се тиња, прашина и глина од песок и чакал, обезбедувајќи чиста и со повисок квалитет на финалниот производ. Принципот е едноставен,......
Прочитај повеќеОтстранувањето на железо игра клучна улога во обезбедувањето чиста вода и ефикасна обработка на минерали низ повеќе индустрии. Оваа статија ги истражува науката, дизајнот и придобивките од опремата за отстранување на железо, објаснувајќи како работи, зошто е важно, и што го прави Epic Machinery Mach......
Прочитај повеќеВо современите индустриски операции, ефикасноста на ракување со материјали игра клучна улога во продуктивноста и управувањето со трошоците. Опремата за пренесување стана камен -темелник во фабриките, рударството и секторите за ракување со рефус материјали. Како некој што соработувал тесно со произво......
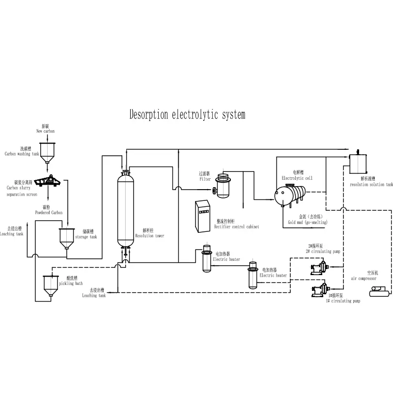
Прочитај повеќеОпремата за цијанидинг стана неопходно решение во рударските и металуршките индустрии заради неговата ефикасност, издржливост и можност за максимизирање на закрепнувањето на вредните метали. На денешниот високо конкурентен пазар, компаниите постојано бараат сигурни решенија кои ги намалуваат трошоци......
Прочитај повеќеВо светот на рударството, хемиската обработка и металургијата, ефикасноста е сè. Без разлика дали испуштате, мешате или подготвувате кашеста маса за низводни процеси, вистинската опрема го одредува и квалитетот на резултатите и долгорочната заштеда на трошоците. Едно такво неопходно парче машинерија......
Прочитај повеќе