Што е електролитички систем за десорпција и зошто е неопходен за модерна екстракција на злато

2026-04-21 - Остави ми порака

НаЕлектролитички систем за десорпцијае клучна технологија во модерната екстракција на злато, особено во процесите на јаглерод во пулпа (CIP) и јаглерод во лужење (CIL). Овој блог истражува како функционира системот, неговите компоненти, предностите и зошто тој стана стандард за ефикасно обновување на златото. Истакнуваме и како им се допаѓаат на компаниитеЕПпоттикнуваат иновации на ова поле. До крајот, ќе имате сеопфатно разбирање за тоа како овој систем ја подобрува продуктивноста, ги намалува трошоците и ги подобрува стапките на обновување.

Desorption Electrolytic System

Содржина


Што е електролитички систем за десорпција

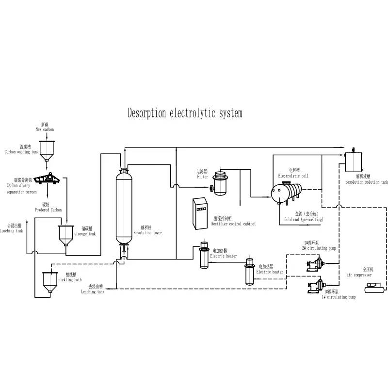
A Електролитички систем за десорпцијае напреден систем за обновување на злато кој се користи за извлекување злато од активен јаглен. Широко се применува во рударските операции каде златото се апсорбира на честичките од јаглеродот за време на процесот на лужење.

  • Десорпција: Го отстранува златото од јаглеродот користејќи раствори со висока температура и висок притисок
  • Електролиза: Го враќа златото од растворот на катоди
  • Систем со затворена јамка: Обезбедува ефикасност и минимална загуба

Овој систем е од суштинско значење за подобрување на ефикасноста на обновувањето и намалување на оперативните трошоци, што го прави основна компонента во модерните погони за преработка на злато.


Како функционира електролитичкиот систем за десорпција

Принципот на работа на аЕлектролитички систем за десорпцијавклучува две главни фази:

  1. Фаза на десорпција:Јаглеродот со злато се третира со топол раствор на алкален цијанид, со што се ослободуваат златни јони.
  2. Фаза на електролиза:Растворот богат со злато поминува низ електролитичка ќелија каде златото се депонира на катоди од челична волна.

Процесот обезбедува висока ефикасност и овозможува континуирано работење, поради што системи од компании какоЕПсе широко прифатени во индустриски апликации.


Главните компоненти на системот

Компонента Функција
Колона за десорпција Држи активен јаглен и го олеснува отстранувањето на златото
Електролитичка ќелија Го враќа златото преку електролиза
Разменувач на топлина Ја одржува потребната температура
Систем за филтрирање Ги отстранува нечистотиите од растворот
Контролен систем Ја автоматизира работата и ги следи параметрите

Секоја компонента игра витална улога во обезбедувањето на системот да работи ефикасно и доследно.


Технички предности и карактеристики

  • Висока стапка на обновување на златото (до 98%)
  • Ниска потрошувачка на енергија
  • Автоматско работење за намалени трошоци за работна сила
  • Компактен дизајн за ефикасност на просторот
  • Еколошки со минимални емисии

Производителите какоЕПконтинуирано оптимизирајте ги овие системи за да ги задоволат барањата на индустријата кои се развиваат, обезбедувајќи подобри перформанси и доверливост.


Апликации во преработка на злато

НаЕлектролитички систем за десорпцијашироко се користи во:

  • Фабрики за ископување злато
  • Операции CIP (Carbon-in-Pulp).
  • CIL (Carbon-in-Leach) процеси
  • Обновување на јаловината на злато

Неговата разновидност го прави погоден и за индустриско рударство од големи размери и за помали операции кои бараат подобрување на ефикасноста.


Споредба со традиционалните методи

Карактеристика Електролитички систем за десорпција Традиционални методи
Ефикасност Високо Умерено
Автоматизација Целосно автоматизиран Рачно или полуавтоматизирано
Цена Пониски долгорочни трошоци Повисоки оперативни трошоци
Влијание врз животната средина Ниско Повисоко

Јасно е дека современиот систем обезбедува значителни предности во однос на традиционалните техники за обновување на златото.


Водич за избор за купувачи

При изборот на аЕлектролитички систем за десорпција, разгледајте ги следните фактори:

  • Капацитет за обработка
  • Ниво на автоматизација
  • Енергетска ефикасност
  • Репутација на производителот (на пр., EPIC)
  • Поддршка по продажбата

Изборот на вистинскиот систем обезбедува долгорочен оперативен успех и максимален поврат на инвестицијата.


Совети за одржување и работа

  • Редовно проверувајте ги цевководите и вентилите
  • Следете го нивото на температурата и притисокот
  • Периодично чистете ги електролитичките ќелии
  • Заменете ги истрошените компоненти веднаш
  • Строго следете ги упатствата на производителот

Правилното одржување значително го продолжува животниот век на системот и обезбедува постојани перформанси.


Најчесто поставувани прашања

1. Која е главната цел на електролитичкиот систем за десорпција?

Неговата главна цел е ефикасно да се извлече и обновува злато од активен јаглен.

2. Колку е ефикасен системот?

Повеќето системи постигнуваат стапка на обновување на златото од над 95%, во зависност од работните услови.

3. Дали системот е еколошки?

Да, современите системи се дизајнирани да ги минимизираат емисиите и да го намалат хемискиот отпад.

4. Дали може да се прилагоди?

Да, компаниите како EPIC нудат приспособливи решенија врз основа на барањата за обработка.

5. Кои индустрии го користат овој систем?

Првенствено индустријата за ископување злато, но и во апликациите за обновување на благородни метали.


Заклучок

НаЕлектролитички систем за десорпцијапретставува пробив во технологијата за обновување злато, нудејќи неспоредлива ефикасност, сигурност и еколошки перформанси. Со континуиран напредок од индустриски лидери какоЕП, овој систем станува сè посуштински за модерните рударски операции. Ако сакате да го оптимизирате процесот на екстракција на злато и да ја подобрите профитабилноста, инвестирањето во висококвалитетен систем е паметен избор.Контактирајте неденес за да дознаете повеќе за тоа како можеме да обезбедиме приспособени решенија за вашите потреби.

Испрати барање

X
Ние користиме колачиња за да ви понудиме подобро искуство во прелистувањето, да го анализираме сообраќајот на страницата и да ја персонализираме содржината. Со користење на оваа страница, вие се согласувате со нашата употреба на колачиња. Политика за приватност